MagicPlot photograph

MagicPlot

Use attributes for filter !
Written in Java
Date of Reg.
Date of Upd.
ID1190927
Send edit request

About MagicPlot


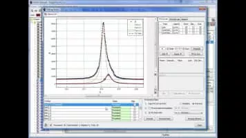
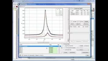
MagicPlot is a technical plotting, curve fitting and data analysis application. It provides a wide usage of the graphical user interface for data exploration as well as various statistical analysis tools, peak fitting options, raster or vector formats of publishable plots. MagicPlot is a commercial software.

MagicPlot Photos

Related Persons

Next Profile ❯