Arithmetic logic unit photograph

Arithmetic Logic Unit

Use attributes for filter !
Date of Reg.
Date of Upd.
ID1280879
Send edit request

About Arithmetic Logic Unit


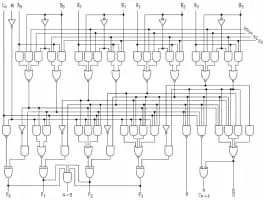
An arithmetic logic unit is a combinational digital electronic circuit that performs arithmetic and bitwise operations on integer binary numbers. This is in contrast to a floating-point unit, which operates on floating point numbers.

Arithmetic logic unit Photos

Related Persons

Next Profile ❯